2.7. Circuitos característicos. Grados de electrificación

  • Grado de electrificación básico:

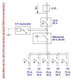
Los circuitos generales de mando y protección se ejecutarán según lo dispuesto en la ITC-BT-17 y constarán como mínimo de:

  • Un interruptor general automático de corte omnipolar con accionamiento manual, de intensidad nominal mínima de 25A y dispositivos de protección contra sobrecargas y cortocircuitos.
  • Uno o varios interruptores diferenciales que garanticen la protección contra contactos indirectos de todos los circuitos, con una intensidad diferencial residual de 30mA e intensidad asignada superior o igual que la del interruptor general.
  • Un interruptor automático de corte onmipolar con accionamiento manual y dispositivos de protección contra sobrecargas y cortocircuitos con una intensidad asignada según su aplicación en cada uno de los circuitos independientes para su protección.

 

En cuanto a los circuitos independientes, en un grado de electrificación básico tenemos:

  • C1: circuito de distribución interna destinado a alimentar los puntos de iluminación.
  • C2: circuito de distribución interna destinado a tomas de corriente de uso general y frigorífico.
  • C3: circuito de distribución interna, destinado a alimentar cocina y horno.
  • C4: circuito de distribución interna, destinado a alimentar lavadora, lavavajillas y termo eléctrico.
  • C5: Circuito de distribución interna, destinado a alimentar tomas de corriente de los cuartos de baño, así como las bases auxiliares del cuarto de cocina.
Esquema de un circuito de grado de electrificación básica

Imagen 28: Esquema de un circuito de grado de electrificación básica.
 
Elaboración propia. Pulsa sobre la imagen para ampliarla.

  • Grado de electrificación elevado:

En el caso de viviendas con una previsión importante de aparatos electrodomésticos que obligue a instalar más de un circuito cualquiera de los descritos anteriormente, así como con previsión de sistemas de calefacción eléctrica, acondicionamiento de aire, automatización, gestión técnica de la energía y seguridad o con superficies útiles de las viviendas superiores a 160m2, se instalará, además de los correspondientes a la electrificación básica, los siguientes circuitos:

  • C6: circuito adicional del tipo C1, por cada 30 puntos de luz.
  • C7: circuito adicional del tipo C2, por cada 20 tomas de corriente de uso general o si la superficie útil de la vivienda es mayor de 160m2.
  • C8: circuito de distribución interna, destinado a la instalación de calefacción eléctrica, cuando existe previsión de ésta.
  • C9: circuito de distribución interna, destinado a la instalación de aire acondicionado, cuando existe previsión de éste.
  • C10: circuito de distribución interna, destinado a la instalación de una secadora independiente.
  • C11: circuito de distribución interna, destinado a la alimentación del sistema de automatización, gestión técnica de la energía y de seguridad, cuando exista la previsión de éste.
  • C12: circuitos adicionales de cualquiera de los tipos C3 y C4, cuando se prevean, o circuito adicional del tipo C5, cuando su número de tomas de corriente exceda de 6.

 

Se instalará un interruptor diferencial por cada 5 circuitos instalados, tanto para electrificación básica como elevada.

Esquema de un circuito de grado de electrificación elevada

Imagen 29: Esquema de un circuito de grado de electrificación elevada.
Elaboración propia. Pulsa sobre la imagen para ampliarla.

  • Determinación del número de circuitos, sección de los conductores y de las caídas de tensión:

En la tabla 1 de la ITC-BT-25 del REBT, se relacionan los circuitos mínimos previstos con sus características eléctricas.

Tabla 1 de la ITC-BT-25

Imagen 30: Tabla 1 de la ITC-BT-25.
Fuente: Ministerio de industria.
Pulsa sobre la imagen para ampliarla.

La sección mínima indicada por circuito, está calculada para un número limitado de puntos de utilización. De aumentarse el número de puntos de utilización, será necesaria la instalación de circuitos adicionales correspondientes.

El valor de la intensidad de corriente prevista en cada circuito se calculará de acuerdo con la fórmula:

 

Iad = n * Ia * Fs * Fu

 

Donde:

  • n = nº de tomas o receptores.
  • Ia = intensidad prevista por toma o receptor.
  • Fs = Factor de simultaneidad, relación de receptores conectados simultáneamente sobre el total.
  • Fu = Factor de utilización. Factor medio de utilización de la potencia máxima de un receptor.

 

Los conductores serán de cobre y su sección será como mínimo la indicada en la tabla 1 de la ITC-BT-25 del REBT, y además estará condicionada a que la caída de tensión sea como máximo el 3%.

 

  • Puntos de utilización:

En cada estancia se utilizará, como mínimo, los puntos de utilización dispuestos en la tabla 2 de la ITC-BT-25 del REBT.

Icono IDevice Objetivos

Aquí os dejo el enlace de la instrucción técnica complementaria tratada en el apartado: