2.2. Contadores
Sirven para contar pulsos cíclicamente, habitualmente en binario natural, hacia delante (contadores), o hacia atrás (descontadores).
En el sentido más elemental, los contadores son sistemas de memoria que recuerdan cuántos pulsos de reloj han sido aplicados en la entrada. Se produce un nuevo conteo cada n ciclos de reloj.
Existen dos tipos.
- Síncronos: todos los biestables comparten la misma señal de reloj.
- Asíncronos: cuando no son síncronos
Se construyen a partir de biestables de tipo T. Cada biestable cambia cuando el anterior pasa de 1 a 0 y el primero lo hace con cada pulso que le llega.
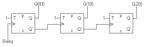
Contador asíncrono.
![]() |
| Imagen 16. Elaboración propia |
Contador asincrono natural de 3 bits
|
| Imagen 17. Elaboración propia |
Un ejemplo de la utilización de los contadores es el reloj digital.
|
Video youtube “El relocito.1.0. Reloj digital" 1:13 minutos. |
| Multimedia 01. youtube.© |
En la web en la que se explica la electrónica de este circuito, que puedes ver pulsando aquí, detallan el esquema del circuito, que puedes ver ampliado pulsando aquí, y en el segundero de LED utilizan los circuitos 74LS164N, que es un registro de desplazamiento de 8 bits.
Si analizas el circuito, utilizan 8 registros 74LS164N, es decir 8*8 =64 salidas. Como son 60 segundos, sobran 4 salidas que si te fijas están libres en el circuito.
