1. Codificadores
Un codificador es un circuito combinacional integrado que tiene hasta 2n entradas y n salidas y la función que desempeña es mostrar en la salida la combinación correspondiente al código binario de la entrada activada.
![]() |
| Imagen 01. Elaboración propia |
Se entenderá mejor con un ejemplo: En una calculadoracuando pulsamos cualquiera de las diez teclas numéricas de una calculadora estamos marcando un número decimal, pero la calculador opera con número en binario. Para expresar en binario del 1 al 10, necesitamos al menos cuatro bits, ya que con tres solamente podríamos establecer 23 =8 combinaciones posibles (es decir del 0 al 7) y no podríamos codificar los diez dígitos necesarios (faltarían el 8 y el 9).
Por tanto emplearemos 4 salidas. Como con 4 salidas (4 bits) tenemos 16 combinaciones y empleamos 10 (del 0 al 9), o bien dejaremos seis combinaciones sin emplear, o las utilizaremos para codificar cualquier otra función representada en alguna de las teclas de la calculadora (el +, el -, el ·, el ÷, el = y la √; por ejemplo)
La tabla de verdad del codificador será:
A partir de la
tabla se deduce que la salida S1 será 1 si lo es la entrada A9,
ó
En el caso de se activasen más de una entrada estaríamos ante el dilema de ¿qué entrada debería codificarse?, o se produciría una señal de error en la salida, por ello los codificadores pueden ser sin prioridad, (no suelen emplearse), y los codificadores con prioridad, generalmente a la entrada más significativa, en este caso la tabla de verdad sería:
Es decir si por cualquier circunstancia se activase más de una entrada simultáneamente, el codificador presentará en la salida la correspondiente al código de la entrada que tenga asignado un mayor peso, es decir la más significativa, resultando indiferente los valores que tomasen las otras entradas menos significativas.
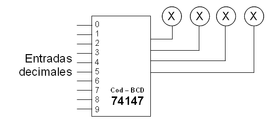
En la figura adjunta se muestra el circuito integrado combinacional correspondiente a un codificador con prioridad de 9 entradas y cuatro salidas.
![]() |
| Imagen 02. texas instruments. © |
|
| Imagen 03. Elaboración propia |
![]() |
| Imagen 04. Elaboración propia |
Este tipo de codificadores se emplean en la codificación de los teclados convencionales, así mismo en los circuitos conversores analógico-digital, y para controlar posibles perturbaciones en los ordenadores.
Aunque la aplicación más significativa de este tipo de circuitos integrados es en la construcción de multiplexadores, que son unos circuitos combinacionales que estudiaremos posteriormente.


