3.1. Generadores
Un generador es un dispositivo que mantiene una diferencia de potencial eléctrico entre dos de sus puntos, llamados polos, terminales o bornes.
Los generadores eléctricos son máquinas destinadas a transformar diversos tipos de energía en energía eléctrica.
El símbolo que utilizaremos en los esquemas eléctricos para representar un generador es:
A lo largo de este tema consideraremos que los generadores tienen un comportamiento ideal.
Un generador de voltaje ideal, es aquel que mantiene un voltaje fijo entre sus bornes independientemente de la resistencia de la carga que pueda estar conectada entre ellos.
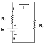
Sea un circutio tipo como el siguiente:
|
| Imagen 18. R. Propio. Creative Commons |
Donde E es la diferencia de potencial suministrada por el generador.
Por aplicación de la segunda ley de Kirchhoff se cumple que la tensión suministrada por el generador ha de ser igual a la suma de las caidas de tensión individuales en cada una de las resistencias.
Por otro lado en aplicación de la ley de Ohm la caida de tensión en las resistencias es igual al producto de la intesidad por su resistencia:
Matemáticamente:
Las magnitudes eléctricas características que identifican un generador ideal de tensión son:
- Ri,es la resistencia interna:
Este valor se mide en ohmios, y es la oposición que presenta el generador a la circulación de corriente a su través. Este elemento no existe físicamente como un componente eléctrico, pero se cuantifica y se representa simbólicamente en el circuito como una resistencia convencional en serie con uno de los bornes del generador, y cuando el circuito está cerrado y circula corriente por él se ocasionan en la Ri unas pérdidas de tensión.
Es decir, produce una reducciónde la tensión en bornes del generador, de tal forma que la tensión que se puede aprovechar no es la total sino la que resulta de restar ese valor que se pierde dentro del propio generador.
- Fuerza electromotriz (f.e.m.):
Se suele identificar con la letra E, se mide en voltios. Se define como el trabajo que debe aportar el generador para transportar la unidad de carga del polo negativo al positivo por el interior del generador. Es igual a la diferencia de potencial en los bornes del generador Vab, mientras el generador esté en vacío, ya que al no haber circulación de corriente I=0, no habrá caída de tensión en la resistencia interna Ri; pero cuando el generador está en carga Vab dependerá de la Rc que se conecte al circuito.
- Intensidad nominal, In:
Máximo valor de corriente que puede suministrar el generador, sin que se resienta su funcionamiento normal, es un dato que proporciona el fabricante. Cuando calculamos un circuito se debe tener la precaución de no sobrepasar este valor. Es decir:
Un generador es capaz de proporcionar toda la corriente que se le solicite, mientras tenga reservas de carga, pero si suministra valores de corriente por encima de su valor nominal se acorta su vida útil muy significativamente, pudiendo llegar a quemarse.
- Capacidad de carga (Axh):
La capacidad de carga total de una pila se mide en amperios x hora (Ah); es el número máximo de amperios que el elemento puede suministrar en una hora. Una batería con una capacidad de carga de 10 Ah puede estar alimentando un circuito que requiera 1 amperio durante 10 horas, o bien 0,5 amperios durante 20 horas y así sucesivamente.
Generalmente cuando se extrae una gran cantidad de corriente de manera continuada la pila sufre más y entrega menos potencia total que si la solicitación de carga es para valores de corriente más reducidos.
Existen diversos tipos de generadores eléctricos, las más habituales son las pilas, las baterías y las fuentes de tensión o corriente.
- Pila eléctrica, Dispositivo que genera energía eléctrica a partir de la energía química que tiene acumulada. A medida que el generador se va agotando, su resistencia interna aumenta, lo que hace que la tensión disponible sobre la carga vaya disminuyendo, hasta que no sea suficiente para alimentar al receptor, por lo que debe recargarse, o sustituirse por otra. Esta energía resulta accesible mediante dos terminales que tiene la pila, llamados polos, electrodos o bornes. Uno positivo y el otro negativo.
- Baterías o acumuladores: Son generadores recargables.
- Fuentes de tensión o corriente:dispositivo que convierte la tensión alterna de la red de suministro, en una o varias tensiones, practicamente continuas, que alimentan los distintos circuitos del aparato electronico al que se conecta.
![]() |
![]() |
| Imagen 19. baggas. Copyright | Imagen 20. blogspot. Copyright |
Una pila nueva de las normales de 1,5V, presenta una resistencia interna 0,35 Ω, aproximadamente, a medida que se va agotando su resistencia interna va aumentando y una vez agotada alcanza varios ohmios.
Por esta razón la medición de la tensión con un voltímetro no informa de en que estado se encuentra la pila; a circuito abierto una pila con toda la carga consumida puede marcar 1,4V, dada la carga insignificante que representa la resistencia de entrada del voltímetro, pero, si la medición se efectúa con la resistencia de carga que habitualmente alimenta, la lectura descenderá por debajo de 1 V, por lo que esa pila ha dejado de tener utilidad. Las pilas alcalinas tienen una curva de descarga mucho más suave que las convencionales de carbón; su resistencia interna aumenta proporcionalmente mucho más despacio.

