2. Temporizadores.
En ocasiones, en los circuitos neumáticos es necesario que las órdenes de mando o control no acontezcan inmediatamente de ser dadas, en esos casos se hace imprescindible la utilización de un componente que retarde la entrada en acción de las órdenes, ese componente es un temporizador, que es una unidad formada por tres elementos básicos:
- Una válvula reguladora de caudal unidireccional (válvula antirretorno y de estrangulación).
- Un acumulador o depósito.
- Una válvula distribuidora 3/2, pilotada neumáticamente con recuperación por muelle.
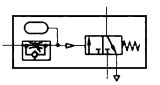
En la figura puede observarse un temporizador con retardo a la desconexión.
![]() |
![]() |
| Imagen 02. Elaboración propia | Imagen 03. Elaboración propia |
La regulación del tiempo de actuación se consigue estrangulando el paso de aire circula desde la vía Z hacia el acumulador, que encuentra cerrado el paso por la válvula antirretorno. Cuando la cantidad de aire que ha llenado el depósito tiene la presión suficiente para vencer el resorte se acciona la válvula de distribución, modificando su posición, con lo que bloquea el paso de aire hacia la vía de trabajo A, poniéndose en comunicación A con R.
Cuando la vía Z reconecta a escape, el aire sale del depósito a través de la válvula antirretorno, que ahora presenta el paso libre en esa dirección, en lugar de circular por la estrangulación que supone un mayor esfuerzo.
El temporizador de la figura es normalmente abierto y cuando actúa, corta la señal de presión.
El temporizador normalmente cerrado, cuando actúa comunica señal de presión a la línea A.
![]() |
![]() |
|
| Imagen 04. Elaboración propia | Imagen 05. Elaboración propia | Imagen 06. Elaboración propia |
A pesar de que un temporizador puede estar
constituido por la conexión de los elementos discretos anteriormente
comentados, también pueden fabricarse como un único elemento que cumpla la
función deseada, como en el caso de la figura de las Imagenes NN y NN y símbolo en la imagen NN.Su funcionamiento es como sigue:
La válvula distribuidora 3/2 está normalmente abierta en posición estable.
Inicialmente como en la imagen NN, el aire
de pilotaje entra por la vía Z (imagen NN). Cuando adquiere presión de mando necesaria en
el depósito, se pilota la válvula 3/2. Esta bloquea el paso de P hacia A.
Poniéndose a escape la vía de trabajo A a través de R.
El
tiempo de retardo corresponde al tiempo que tarde el aire del depósito en
adquirir la presión necesaria como para pilotar la válvula distribuidora 3/2.
Cuando se evacua el aire de la vía de pilotaje Z, la válvula 3/2 recupera su posición inicial.
También son muy habituales los temporizadores con retardo a la conexión, como el de la figura adjunta:
![]() |
![]() |
![]() |
| Imagen 07. Elaboración propia | Imagen 08. Elaboración propia | Imagen 09. Elaboración propia |
Su funcionamiento es como sigue: El aire comprimido entra en la válvula por la vía de alimentación P, y el aire de mando llega a la válvula por la vía de pilotaje Z, pasa a través de la estranguladora del regulador unidireccional; según el apriete del tornillo permite el paso de un caudal mayor o menor de aire por unidad de tiempo al depósito de aire posterior. Una vez alcanzada la presión suficiente en el depósito como para hacer bascular a la válvula distribuidora 3/2, con lo que conecta a presión P la vía A, bloqueando la vía de escape R. El tiempo que tarda en adquirir la presión adecuada el depósito corresponde al retardo del temporizador.
Para que el temporizador recupere su posición inicial, hay que poner en escape el conducto de pilotaje Z. El aire del depósito escapa a través del regulador unidireccional y del conducto de escape de la válvula de señala la atmósfera. El resorte de la válvula recupera su posición inicial estable. El conducto de trabajo A se pone en escape hacia R, y P se bloquea.
El tiempo de retardo normal es de 0 a 30 segundos. En caso de necesitar retardos mayores se puede conectar un depósito adicional.
Si la presión se mantiene constante y el aire es limpio, se
obtienen temporizaciones exactas






